Menú
<< proyecto anterior siguiente proyecto >>

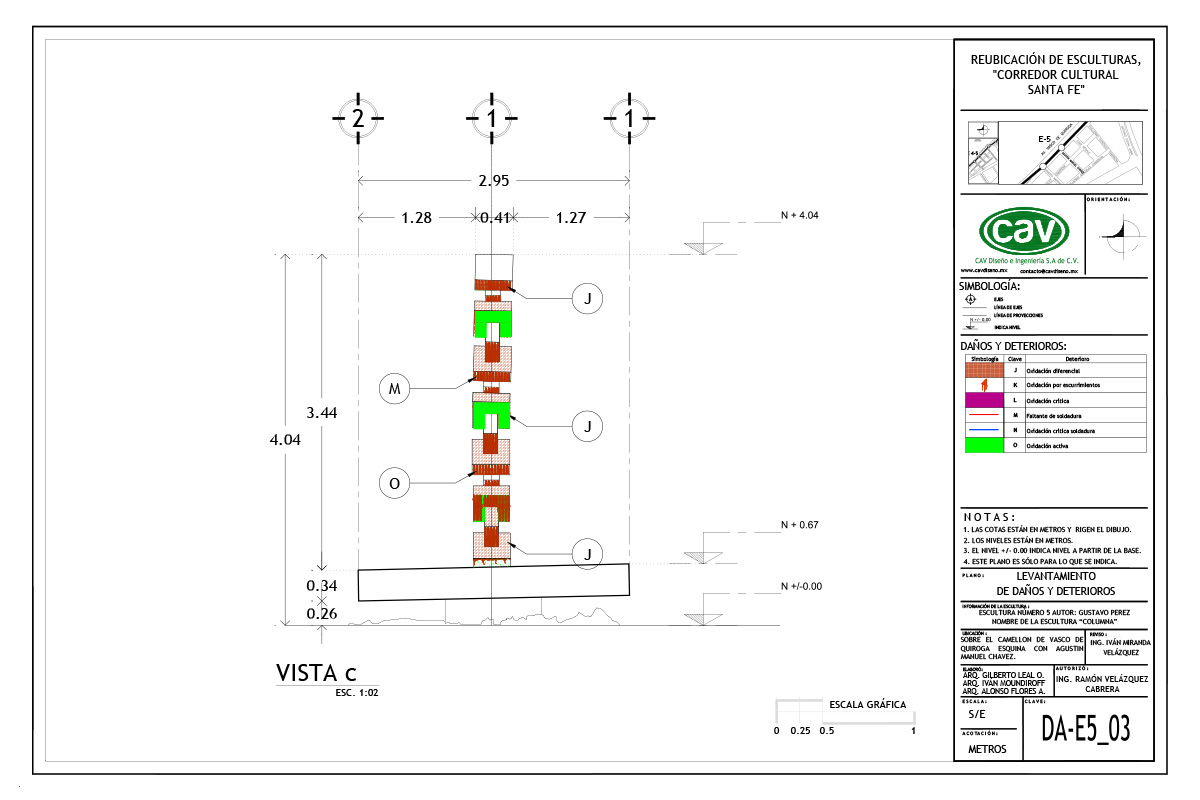
Conjunto escultórico “Columnas”: proyecto integral de restauración y reubicación de las 18 esculturas

Santa Fe, Ciudad de México, 2016

Cliente: Dirección General de Obras Públicas y Dirección General de Obras Concesionadas

Como parte de la construcción del Tren Interurbano México-Toluca, se restauraron las 18 esculturas que se ubicaban en el camellón de Av. Vasco de Quiroga. CAV realizó un proyecto integral que incluyó, entre otros trabajos, una investigación histórica documental en archivos públicos y privados, el levantamiento fotográfico del estado de cada escultura y del sitio de reubicación, un levantamiento arquitectónico tridimensional por medio de tecnología láser 3D, un estudio de mecánica de suelos de cimentación y la fabricación y montaje de estructuras de acero para el embalaje de cada escultura. Asimismo, se realizaron trabajos de obra civil de cimentaciones, red hidráulica para riego, colocación de luminarias y obras complementarias. 

 

Del conjunto original, 10 esculturas se reubicaron sobre la Av. Vasco de Quiroga y las 8 restantes se reubicaron en el Parque La Mexicana.

Responsables de obra: Arq. Gilberto Leal, Ing. Jaime Don Juan Cisneros

especialidades

 

Restauración de Metales:

<< proyecto anterior siguiente proyecto >>